詳細說明:
產品簡介:
本電動機為隔爆型(Exd ⅡCT4)錐形轉子三相異步電動機(以下簡稱電動機),外殼及接線盒防護等級IP54,絕緣等級F級。本電動機符合GB3836.1-2000《爆炸性氣體環境用電氣設備第1部分通用要求》及GB3836.2-2000《爆炸性氣體環境用電氣設備第2部分:隔爆型“d”》的規定,制成隔爆型。防爆標志為Exd ⅡCT4,適用工廠有ⅡA、ⅡB、ⅡC,引燃溫度組別T1-T4組成的可燃性氣體或與空氣形成的爆炸性混合物的場所設備上,作為起重機械電力傳動用。
工作條件:
1、環境空氣溫度-20~40℃,相對濕度不大于85%(當25℃時);
2、海拔不超過1000m;
3、額定電壓:380V;
4、額定頻率:50Hz;
5、接法:Y;
6、基準工作制:S4-25%(即工作制S4,負載持續率25%)
7、每小時等效起動次數為120次。
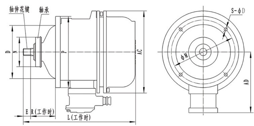
產品簡圖:

產品技術參數:



